服務熱線
180-5003-0233

本實用新型涉及燙金紙切割技術領域,尤其涉及一種燙金紙用切割裝置。
背景技術:
在印刷生產中對產品進行燙金印刷時要用到燙金紙,燙金紙為卷筒紙,根據實際生產的情況,需要不同尺寸的燙金紙,此時需要用探花网站在线观看對卷筒燙金紙進行分切處理以符合所需要寬度的產品。
現有的燙金紙用切割裝置,通常是將燙金紙安裝到卷輥上,然後利用電機配合傳送帶帶動卷輥旋轉,接著控製切割刀具對燙金紙卷進行切割,在切割過程中,很容易切割到卷輥,從而導致切割刀具上的刀片磨損,並引起卷輥損壞,而且切割精度很低。
技術實現要素:
本實用新型的目的是為了解決現有技術中存在的缺點,如:現有的燙金紙用切割裝置,通常是將燙金紙安裝到卷輥上,然後利用電機配合傳送帶帶動卷輥旋轉,接著控製切割刀具對燙金紙卷進行切割,在切割過程中,很容易切割到卷輥,從而導致切割刀具上的刀片磨損,並引起卷輥損壞,而且切割精度很低。
為了實現上述目的,本實用新型采用了如下技術方案:
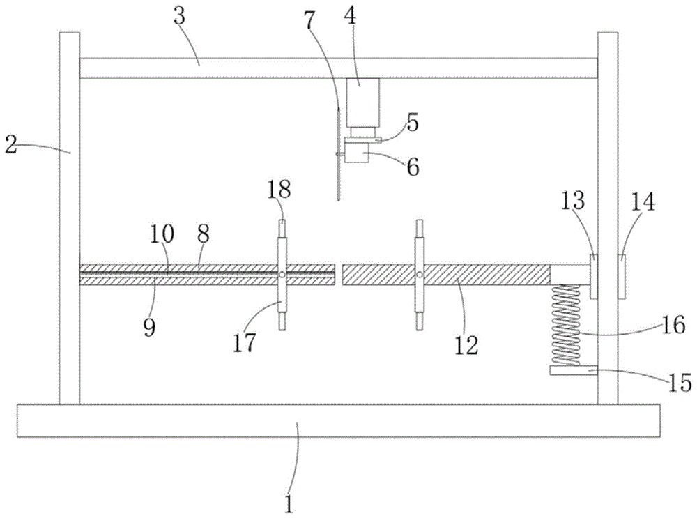
一種燙金紙用切割裝置,包括底座,所述底座上固定連接有兩個側板,兩個所述側板之間固定連接有支撐板,所述支撐板上設有切割刀具,其中一個所述側板靠近支撐板的一側壁上固定連接有固定杆,所述固定杆上設有測量裝置,另一個所述側板內設有滑槽,所述滑槽內滑動連接有活動杆,所述活動杆遠離固定杆的一端上分別固定連接有限位環和限位板,所述活動杆的底側壁上設有複位裝置,所述固定杆上設有螺紋,所述活動杆靠近固定杆的一端上設有螺紋,所述固定杆和活動杆上均螺紋連接有擋板,所述擋板的外側壁上對稱固定連接有多個把手。
優選的,所述切割刀具包括伸縮氣缸,所述伸縮氣缸固定連接在支撐板的底側壁上,所述伸縮氣缸遠離支撐板的一端上固定連接有安裝板,所述安裝板的底側壁上固定連接有馬達電機,所述馬達電機的輸出端上固定連接有切割刀片,所述切割刀片正對固定杆和活動杆間縫隙的正中央設置。
優選的,所述測量裝置包括凹槽,所述凹槽設置在固定杆的外側壁上,所述凹槽內固定連接有毫米刻度尺。
優選的,所述複位裝置包括底板,所述底板固定連接在靠近活動杆一側設置的側板的一側壁上,所述底板和活動杆之間固定連接有複位彈簧。
優選的,所述活動杆靠近限位環的一端呈光滑設置。
優選的,所述活動杆靠近固定杆的一端呈圓形杆體設置,所述活動杆滑動連接在滑槽內的一端呈方形杆體設置。
本實用新型的有益效果是:整個切割過程操作簡單,且切割精度非常高,因為是采用一個固定杆和一個活動杆的方式對燙金紙卷進行固定,因此在切割的過程中,不需要擔心切割刀片會切割到固定杆或活動杆,從而避免了切割刀片的磨損以及固定杆和活動杆的損壞。
附圖說明
圖1為本實用新型提出的一種燙金紙用切割裝置的正麵結構示意圖;
圖2為本實用新型提出的一種燙金紙用切割裝置的滑槽結構示意圖。
圖中:1底座、2側板、3支撐板、4伸縮氣缸、5安裝板、6馬達電機、7切割刀片、8固定杆、9凹槽、10毫米刻度尺、11滑槽、12活動杆、13限位環、14限位板、15底板、16複位彈簧、17擋板、18把手。
具體實施方式
下麵將結合本實用新型實施例中的附圖,對本實用新型實施例中的技術方案進行清楚、完整地描述,顯然,所描述的實施例僅僅是本實用新型一部分實施例,而不是全部的實施例。
在本實用新型的描述中,需要理解的是,術語“上”、“下”、“前”、“後”、“左”、“右”、“頂”、“底”、“內”、“外”等指示的方位或位置關係為基於附圖所示的方位或位置關係,僅是為了便於描述本實用新型和簡化描述,而不是指示或暗示所指的裝置或元件必須具有特定的方位、以特定的方位構造和操作,因此不能理解為對本實用新型的限製。
參照圖1-2,一種燙金紙用切割裝置,包括底座1,底座1的上端麵上對稱固定連接有兩個側板2,兩個側板2之間固定連接有支撐板3,支撐板3遠離底座1設置,支撐板3上設有切割刀具,切割刀具包括伸縮氣缸4,伸縮氣缸4固定連接在支撐板3的底側壁上,伸縮氣缸4遠離支撐板3的一端上固定連接有安裝板5,安裝板5的底側壁上固定連接有馬達電機6,馬達電機6的輸出端上固定連接有切割刀片7。
啟動馬達電機6,馬達電機6的輸出端帶動切割刀片7旋轉,借助旋轉的切割刀片7對燙金紙進行切割,借助伸縮氣缸4,可以方便的控製切割刀片7的升降,以便進行切割作業,其中一個側板2靠近支撐板3的一側壁上固定連接有固定杆8,固定杆8上設有測量裝置,測量裝置包括凹槽9,凹槽9設置在固定杆8的外側壁上,凹槽9內固定連接有毫米刻度尺10,毫米刻度尺10位於凹槽9內,不會被磨損,能夠長久使用。
毫米刻度尺10的初始刻度不為0,毫米刻度尺10上的刻度以固定杆8和活動杆12間縫隙的正中央為0刻度點,切割之前先對照毫米刻度尺10調整好燙金紙卷的位置,由於切割刀片7是正對固定杆8和活動杆12間縫隙的正中央設置的,因此切割精度非常高,另一個側板2內設有滑槽11,滑槽11內滑動連接有活動杆12。
切割刀片7正對固定杆8和活動杆12間縫隙的正中央設置,確保切割刀片7在切割燙金紙時不會切割到固定杆8和活動杆12,從而避免了切割刀片7的磨損以及固定杆8和活動杆12的損壞,活動杆12遠離固定杆8的一端上分別固定連接有限位環13和限位板14,活動杆12靠近固定杆8的一端呈圓形杆體設置,活動杆12滑動連接在滑槽11內的一端呈方形杆體設置,配合限位環13和限位板14,對活動杆12進行限位,使得活動杆12能夠沿滑槽11上下滑動而無法轉動,增強固定燙金紙卷時的固定效果。
活動杆12的底側壁上設有複位裝置,複位裝置包括底板15,底板15固定連接在靠近活動杆12一側設置的側板2的一側壁上,底板15和活動杆12之間固定連接有複位彈簧16,安裝燙金紙卷時,先按壓活動杆12,使活動杆12和固定杆8錯開,然後將燙金紙卷套到固定杆8上,接著鬆開活動杆12,活動杆12在複位彈簧16的彈力作用下自動複位,固定杆8上設有螺紋,活動杆12靠近固定杆8的一端上設有螺紋,活動杆12靠近限位環13的一端呈光滑設置。
固定杆8和活動杆12上均螺紋連接有擋板17,擋板17的外側壁上對稱固定連接有多個把手18,安裝好燙金紙卷後,對照毫米刻度尺10,按照切割需要調整好燙金紙卷的位置,然後抓住把手18旋轉兩個擋板17,借助兩個擋板17將燙金紙卷固定在固定杆8和活動杆12之間,接著即可開始切割作業。
本實用新型中,使用者使用該裝置時,一隻手拿住燙金紙卷,一隻手按壓活動杆12,使活動杆12和固定杆8錯開,然後將燙金紙卷套到固定杆8上,鬆開活動杆12,活動杆12在複位彈簧16的彈力作用下自動複位,然後根據切割的需要和毫米刻度尺10的刻度調整燙金紙卷的位置,接著擰動把手18,利用擋板17對燙金紙卷的位置進行固定;
啟動馬達電機6,馬達電機6的輸出端帶動切割刀片7旋轉,控製伸縮氣缸4帶動切割刀片7下移,對燙金紙卷進行切割,整個切割過程操作簡單,且切割精度非常高,因為是采用一個固定杆8和一個活動杆12的方式對燙金紙卷進行固定,因此在切割的過程中,不需要擔心切割刀片7會切割到固定杆8或活動杆12,從而避免了切割刀片7的磨損以及固定杆8和活動杆12的損壞。
以上所述,僅為本實用新型較佳的具體實施方式,但本實用新型的保護範圍並不局限於此,任何熟悉本技術領域的技術人員在本實用新型揭露的技術範圍內,根據本實用新型的技術方案及其實用新型構思加以等同替換或改變,都應涵蓋在本實用新型的保護範圍之內。
技術特征:
1.一種燙金紙用切割裝置,包括底座(1),其特征在於,所述底座(1)上固定連接有兩個側板(2),兩個所述側板(2)之間固定連接有支撐板(3),所述支撐板(3)上設有切割刀具,其中一個所述側板(2)靠近支撐板(3)的一側壁上固定連接有固定杆(8),所述固定杆(8)上設有測量裝置,另一個所述側板(2)內設有滑槽(11),所述滑槽(11)內滑動連接有活動杆(12),所述活動杆(12)遠離固定杆(8)的一端上分別固定連接有限位環(13)和限位板(14),所述活動杆(12)的底側壁上設有複位裝置,所述固定杆(8)上設有螺紋,所述活動杆(12)靠近固定杆(8)的一端上設有螺紋,所述固定杆(8)和活動杆(12)上均螺紋連接有擋板(17),所述擋板(17)的外側壁上對稱固定連接有多個把手(18)。
2.根據權利要求1所述的一種燙金紙用切割裝置,其特征在於,所述切割刀具包括伸縮氣缸(4),所述伸縮氣缸(4)固定連接在支撐板(3)的底側壁上,所述伸縮氣缸(4)遠離支撐板(3)的一端上固定連接有安裝板(5),所述安裝板(5)的底側壁上固定連接有馬達電機(6),所述馬達電機(6)的輸出端上固定連接有切割刀片(7),所述切割刀片(7)正對固定杆(8)和活動杆(12)間縫隙的正中央設置。
3.根據權利要求1所述的一種燙金紙用切割裝置,其特征在於,所述測量裝置包括凹槽(9),所述凹槽(9)設置在固定杆(8)的外側壁上,所述凹槽(9)內固定連接有毫米刻度尺(10)。
4.根據權利要求1所述的一種燙金紙用切割裝置,其特征在於,所述複位裝置包括底板(15),所述底板(15)固定連接在靠近活動杆(12)一側設置的側板(2)的一側壁上,所述底板(15)和活動杆(12)之間固定連接有複位彈簧(16)。
5.根據權利要求1所述的一種燙金紙用切割裝置,其特征在於,所述活動杆(12)靠近限位環(13)的一端呈光滑設置。
6.根據權利要求1所述的一種燙金紙用切割裝置,其特征在於,所述活動杆(12)靠近固定杆(8)的一端呈圓形杆體設置,所述活動杆(12)滑動連接在滑槽(11)內的一端呈方形杆體設置。
技術總結
本實用新型公開了一種燙金紙用切割裝置,包括底座,所述底座上固定連接有兩個側板,兩個所述側板之間固定連接有支撐板,所述支撐板上設有切割刀具,其中一個所述側板靠近支撐板的一側壁上固定連接有固定杆,所述固定杆上設有測量裝置,另一個所述側板內設有滑槽。本實用新型整個切割過程操作簡單,且切割精度非常高,因為是采用一個固定杆和一個活動杆的方式對燙金紙卷進行固定,因此在切割的過程中,不需要擔心切割刀片會切割到固定杆或活動杆,從而避免了切割刀片的磨損以及固定杆和活動杆的損壞。
技術研發人員:劉子軍
受保護的技術使用者:天津錦通印刷發展有限公司
技術研發日:2019.10.18
技術公布日:2020.06.23